Welcome to our websites!

Technical parameters of CUZ all-in-one servo drive AUTO changing roll forming machine

Model: CUZ 80 / 120-320

 Technical parameters of CUZ all-in-one servo drive AUTO changing roll forming machine

1.1 Profiles drawing

1. Hydraulic Decoiler

2 Lever and punching hole unit

1. Servo drive automatic roll Forming machine

2. cutting unit

3. Electric control system

4.Hydraulic station

5. Attached accessories and conditions


Product Detail

Product Tags

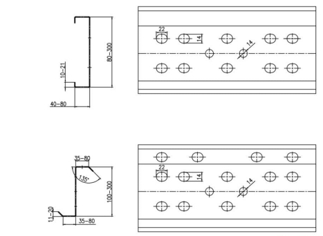
Profiles drawing

1.Product specification: any transformation between
2.① C width (80-320mm) Z width (120-300mm)
3.② height (40-80mm);
4.③ small edge (10-20mm);
5.④  thickness t (1.5-3.0mm) adjustable
6.Production speed: 30 m / minute (according to the number of punched)
7.Materials applicable: Q195, Q235, Q355 hot rolled strip steel or hot rolled galvanized strip steel (1.0-3.0mm)

1.1Profiles drawing

Hydraulic Decoiler

 

1.Load: 6 tons
2.Hold method:hydraulic station
3.Brake: the spindle is double held tight

Technical parameters of CUZ all-in-one servo drive AUTO changing roll forming machine

Lever and punching hole unit

● Lever 1 set

①upper 3 roller  and 4 down roller + two leading rollers 

②full solid shaft modulation heat treatment and polishing plating.

 

● Punching hole unit 3 sets

③a single hole + double hole,

④round hole Φ 14mm

⑤oval hole 26* 14mm.

Lever and punching hole unit

Servo drive automatic roll Forming machine

1.Servo drive automatic roll Forming machine1
1.Servo drive automatic roll Forming machine2
1.Servo drive automatic roll Forming machine3

① Feed material: guide shaft + guide wheel.

② Flat: upper three and four + two leads, full solid shaft modulation heat treatment and polishing plating.

③ Roller steps : 18 steps (one of them is 87-95 degrees)

④ Equipped with 13 groups of CZ swap modules, rotate 180 degrees to complete the switching, through

⑤ Power button switch specification size.

⑥ Pressure reinforcement: one word straight tendon.

⑦ Straight: ten roll CZ special two axial straight + four roll two axial straight, a total of two straight units.

⑧ Lead: with transmission, upper and lower shaft gear drive.

⑨ Punch: after forming a single hole + double hole, round hole Φ 14mm and oval hole 26* 14mm.

 

12233

① Drive way

② 22KW servo motor drive + Shanghai Nanrui reducer (Changzhou Xintao reducer)

③ Roll: Material: GCr 15

④ Processing technology: numerical control processing after heat treatment to HRC 58-60, fine car re-polishing electro plating

⑤ Shaft: Material: 40 Cr

⑥ Processing technology: CNC modulation processing HRC 28-12, then refined CNC polishing electroplating

cutting unit

① One set  cutting blade for cutting off  80-300 size

2.cutting unit

Electric control system

① Main control cabinet: 1

② Change mode: (electric) change, (three change motor: 0.75 * 3kw)

③ Changing width cabinet: 1 (installed in middle of frame)

④ External controller: 1 (easy to control forward and backward during production and debugging)

⑤ Main accessories origin: PLC (Omron, Japan), drive (Inwitten), brake resistance (Inwitten), touch screen (mail), relay (Omron, Japan), proximity switch (South Korea), length encoder (Omron, Japan)

3.Electric control system

Hydraulic station 

① Hydraulic station: power 7.5KW

② The fuel tank volume is 200 liters

③ Main origin: solenoid valve Beijing HUADE

Attached accessories and conditions

1.Tools: 1 set

2.Manual: one

Equipment color: main lake blue, rack ink gray


  • Previous:
  • Next:

  • Write your message here and send it to us

    Products categories